Accedi in modo che possiamo avvisarti di una risposta
Questi serracavo a Boccola sono realizzati in materiale di nylon, per assorbire le forze di trazione e spinta e torsione esercitata sui cavi.
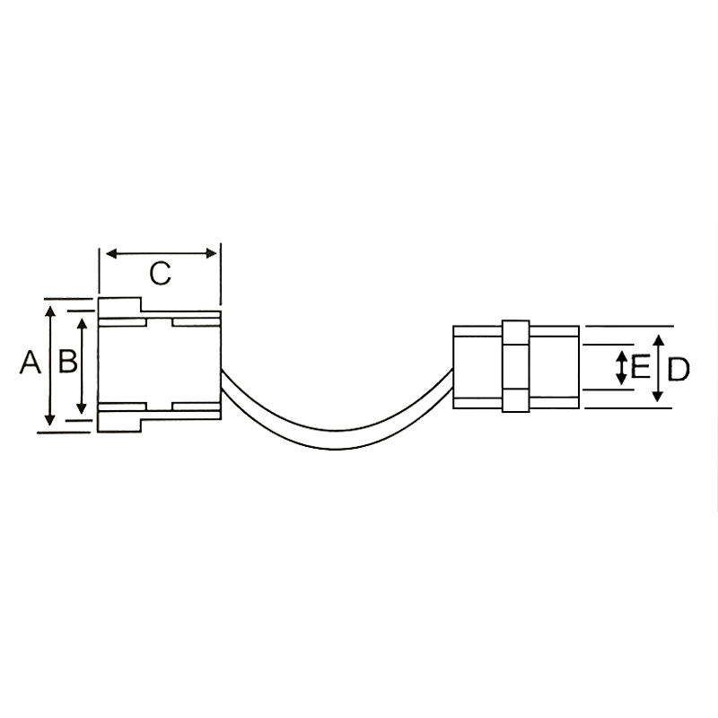
Sigla: CB-6N3-4
Dimensioni (mm):
A: 16.3
B: 13.7
C: 15
D: 8.7
E: 7

Brand:
FATO
